Chapter 2. Chassis Tour

This chapter is intended to familiarize you with the physical, electrical, and mechanical aspects of the SGI 2100 server. Standard controls and connectors are described and illustrated along with major components that go in the SGI 2100 chassis. All boards, drives, and other components are housed in a single, upright enclosure and, with its small physical dimensions and quiet operation, the server fits into a lab, server room, or a normal office environment.

Commonly used optional components are also shown and discussed in this chapter.

SGI 2100 System Physical Description

The SGI 2100 system is a compact, high-performance server that easily fits in most office environments.

The unit weighs a minimum of 120 pounds. (54.5 kg) but is easily moved about on its four rollers. When fully loaded the system could weigh as much as 170 pounds. (77.3 kg). Never attempt to lift the unit without the assistance of other people.

Table 2-1 provides the basic physical specifications for the SGI 2100 system.

See the Site Preparation for Origin Family and Onyx2 manual (P/N 007-3452-nnn) for additional information.

Table 2-1. SGI 2100 System Physical Specifications

Parameter

 

Specifications

Dimensions

 

 

installed:

height
width
depth

26.5” (67.3 cm)
20” (50.8 cm)
24” (61 cm)

Weight:

minimum
maximum
shipping (max.)

120 lbs ( 54.5 kg)
170 lbs (77.3 kg)
190 lbs (86.4 kg)

Floor Loading:

minimum
maximum

36 lb/ft2 (175 kg/m2)
51 lb/ft2 (250 kg/m2)

Air Temperature:

operating (< 5000 ft)
operating (> 5000 ft)
non-operating

41° to 95° F (5° to 35° C)
41° to 86° F (5° to 30° C)
-15\xβ0 to 107° F (-20\xβ0 to 60° C)

Altitude:

operating
non-operating

10,000 ft (3,048 m) MSL, maximum
40,000 ft (12,192 m) MSL, maximum

Humidity:

operating
non-operating

10% - 90% (non-condensing)
10% - 95% (non-condensing)

Acoustics:

typical

50 dBa

Figure 2-1 shows the SGI 2100 chassis and some of its major components.

Figure 2-1. SGI 2100 System Components

Figure 2-1 SGI 2100 System Components

Components and Controls on the Front of the System

The front of the SGI 2100 system has a number of controls and components that you should be familiar with. The system's removable media drive bay, Module System Controller (MSC), and hard disk drive bays are all accessible by opening the sliding front plastic cover (door).

Open the front sliding door panel by pushing it down until it catches (see Figure 2-2).

The removable media bay and MSC front panel are next to each other in the upper left corner of the system. Figure 2-3 shows the location of each of these units.

Figure 2-2. Opening the Front of the SGI 2100 System

Figure 2-2 Opening the Front of the SGI 2100  System

The MSC is located between the disk drive bays and the CD-ROM drive bay. The MSC is a microprocessor-controlled subsystem that is mounted directly to the system midplane by way of an “extender” board. It monitors various system operations, including ambient temperature, system fan speed, midplane voltage levels, and the system clock.

When any operating parameter exceeds or drops past a specified limit, the executes a controlled MSC shutdown of the system. During such a shutdown procedure, the controller maintains a log with the last error message(s) received before the shutdown.

For information on using the MSC, see Chapter 6 in this guide.

Figure 2-3. CD-ROM and Module System Controller

Figure 2-3 CD-ROM and Module System Controller

Figure 2-4. The System Disk and Optional Drive Bays

Figure 2-4 The System Disk and Optional Drive Bays

Components and Controls on the Rear of the System

The rear of the system houses the following components:

  • The system node board(s). See Figure 2-5.

  • The power connector and system power switch.

  • The BaseIO system interface panel.

  • Slots and carriers for optional PCI and XIO interface boards.

Power Connector and Switch

The system's main power connector is located on the lower left side of the chassis. The main system power switch is located opposite it on the lower right side.

System power is on when the switch is up and off when it is down.

Figure 2-5. Component and Control Locations on the Back

Figure 2-5 Component and Control Locations on the Back

System Node Board Locations

The system node board slots are located in the left side on the rear of the chassis. The first node board is always installed in the right-hand slot. See “System Configuration Guidelines” for information on how the node boards are used in conjunction with other system components.

Node Board LEDs

On the back of each node board are a total of 18 LEDs (see Figure 2-6 for an example). Two red LEDs are located near the top of the board and a set of 16 yellow ones are located near the middle of the board.

The two LEDs near the top of the board should light only when there is a voltage inconsistency or problem on the node board. If these LEDs light up frequently, the board may need service. If all the top LEDs on all the node boards in the system light up, it indicates a system-wide power problem. In this case, call your service representative for assistance.

The LEDs grouped near the middle of the board are divided into two vertical sets of eight LEDs (16 total). Each vertical set of eight LEDs represents one of the microprocessors installed on the node board. When only one CPU is installed, you can expect to see LED activity on only one vertical set of LEDs.

As a general rule, the bottom LED should always show some activity while the system is powered on. The bottom LED serves as a kind of “heartbeat” that indicates the CPU is alive, even if the system is not generally active.

The other seven LEDs light up as the number of processes on the CPU increases. The more work the CPU is doing, the more LED activity you see on the back of the node board.

Figure 2-6. Node Board LEDs

Figure 2-6 Node Board LEDs

The System Midplane

The SGI 2100 enclosure uses a midplane to which boards, disk drives, and other devices can attach from both sides of the system. This allows for maximum functionality and expansion in a compact unit. Figure 2-7 shows a front view of the midplane, while Figure 2-8 shows a rear view.

Single-ended ultra SCSI and SCSI-2 drives are the only devices internally supported by the SGI 2100 system.

Figure 2-7. The SGI 2100 Midplane (Front View)

Figure 2-7 The SGI 2100 Midplane (Front View)

Figure 2-8. SGI 2100 Midplane (Rear View)

Figure 2-8 SGI 2100 Midplane (Rear View)

System Configuration Guidelines

The SGI 2100 system is designed to expand in functionality depending on your hardware computing needs. Standard and optional boards can be combined to build a maximum functional configuration.

Node and Router Board Combinations

The node and router boards are interdependent and enable high-speed communications within the system among other duties. All SGI 2100 systems ship with the first router board installed. Your system can operate without any router boards, but you can use only one node board and one bank of XIO slots. The first row of configuration information in Table 2-2 shows the restrictions. You must have at least one router board to operate two node boards. Figure 2-9 illustrates the node board and router configuration interdependence.

Maximum Number of CPUs

The maximum of CPUs is eight, installed on four node boards.

Node and XIO Board Combinations

Table 2-2 provides an overview of interdependent system boards that combine to build the chassis into a maximum compute server.

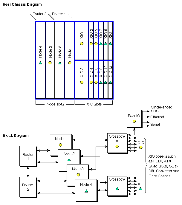
Node board slots are counted from right to left. Router board and XIO board slots are counted from left to right. Figure 2-10 shows a functional view of the back of the system. The circles ({O}) and triangles (Δ) represent the interdependence of the XIO slots and the node boards that support them.

Table 2-2. Functional Configuration Overview

1st Router Board

2nd Router Board

1st and 2nd Node Bd. Slots

3rd and 4th Node Bd. Slots

XIO Slots 1-6

XIO Slots 7-12

Not
installed

Not installed

1st node {O} is operational

Not usable

Operational{O}

(Δ) Not usable

Installed

Not installed

2nd node (Δ) Operational if installed

Not usable

Operational{O}

(Δ) Operational with use of 2nd node board

Installed

Installed

Operational

Operational

Operational(O)

(Δ) Operational if node 2 installed

Figure 2-9. SGI 2100 Router and Node Board Configurations

Figure 2-9 SGI 2100 Router and Node Board Configurations

Figure 2-10. Node and XIO Board Functional Configurations

Figure 2-10 Node and XIO Board Functional Configurations

XIO Board Slots

Each SGI 2100 system comes with 12 XIO board slots. Various types of optional interface boards are supported in the XIO slots. These may include

  • peripheral component interface (PCI)

  • high-performance parallel interface (HIPPI)

  • Fibre Channel

  • graphics interface (SI Viz Console Board)

There are certain installation restrictions that must be followed when XIO boards are installed or removed. Failure to follow these configuration rules may result in system or peripheral malfunction.

Always

  • Keep the BaseIO (IO6S) board installed in XIO slot 1.

  • Fill the top XIO slots first (XIO slots 3 and 5 should be filled first).

  • Have the PCI module installed in XIO slot 2.

Never

  • Move the BaseIO (IO6S or IO6G) board to a slot other than XIO slot 1.

  • Have a SCSI board installed in XIO slot 2.

  • Have an XIO board installed in an unsupported slot (see Figure 2-10).

    Figure 2-11. XIO Board Slots

    Figure 2-11 XIO Board Slots

The BaseIO Panel

The main system I/O panel is the BaseIO (also known as the IO6). It is used to connect external devices to the system. The BaseIO panel configuration for SGI 2100 systems is shown in Figure 2-12.

Figure 2-12. BaseIO Panel Connections and Indicators

Figure 2-12 BaseIO Panel Connections and Indicators

Devices supported by the BaseIO include an Ethernet network connection, ASCII terminals, printers, or modems, and single-ended ultra SCSI or SCSI-2 peripherals.


Note: If you disconnect a cable from a peripheral device, you should also disconnect it from the I/O connector on the I/O panel. This helps prevent the system from picking up external electrical noise.

Table 2-3 lists a description of the connectors on the BaseIO.

Table 2-3. BaseIO Connectors

Connector Type

Connector Description

Connector Function

100BaseT

8-pin Jack

100-Mb per second Ethernet

Serial

9-pin DIN

RS-232 and 422 Serial

SCSI

68-pin (FAST-20)

Ultra SCSI (Single-ended)

See Chapter 4 in this document for a complete description and pin identification for each of the standard and optional BaseIO connectors.